Шестигранные гайки – это ключевой элемент резьбовых соединений, широко используемых в машиностроении, строительстве, автомобилестроении, приборостроении, производстве промышленного оборудования и сельскохозяйственной техники. Их производство стандартизируется с помощью нормативных систем:
- ГОСТ (Государственный стандарт) — система государственных стандартов, разработанная в СССР и применяемая в России и странах СНГ. Эти стандарты обязательны для всех разработчиков и производителей в этих странах.
- DIN (Deutsches Institut für Normung) — Немецкий институт по стандартизации, разрабатывающий национальные стандарты Германии. Стандарты DIN широко применяются в Германии и других европейских странах.
Оба стандарта регулируют требования к качеству и характеристикам продукции, включая крепёжные изделия, но имеют различия в нормах и требованиях.
Таблица соответствия стандартов ГОСТ, DIN для шестигранных гаек
| ГОСТ | Описание | DIN |
| ГОСТ 5915-70 | Гайки шестигранные класса точности В | DIN 934 |
| ГОСТ 5916-70 | Гайки шестигранные низкие класса точности В | DIN 439-2, DIN 936 |
| ГОСТ 5918-73 | Гайки шестигранные прорезные и корончатые класса точности В | DIN 935 |
| ГОСТ 5919-73 | Гайки шестигранные прорезные и корончатые низкие класса точности В | DIN 937 |
| ГОСТ 5927-70 | Гайки шестигранные класса точности А | DIN 934 |
| ГОСТ 5932-73 | Гайки шестигранные прорезные и корончатые класса точности А | DIN 935 |
| ГОСТ 5933-73 | Гайки шестигранные низкие прорезные и корончатые класса точности А | DIN 937 |
| ГОСТ 15522-70 | Гайки шестигранные низкие с уменьшенным размером под ключ В | DIN 431 |
| ГОСТ 15523-70 | Гайки шестигранные высокие класса точности В | DIN 6330 |
| ГОСТ 15526-70 | Гайки шестигранные класса точности С | DIN 555 |
| ГОСТ 11860-85 | Гайки шестигранные колпачковые (глухие) | DIN 1587 |
| ГОСТ 50592-93 | Гайки шестигранные с фланцем | DIN 6923 |
| ГОСТ 8918-69 | Гайки шестигранные высокие с буртиком | DIN 6331 |
| ГОСТ 2526-70 | Гайки шестигранные низкие с уменьшенным размером под ключ А | DIN 936 |
| ГОСТ 9064-75 | Гайки для фланцевых соединений с температурой до 650°C | DIN 2510 |
| - | Самоконтрящиеся шестигранные гайки низкие | DIN 985 |
| - | Самоконтрящиеся шестигранные гайки высокие | DIN 982 |
| - | Удлиненные (соединительные, муфтовые) гайки | DIN 6334 |
Примечание: Некоторые ГОСТы не имеют прямых аналогов в стандартах DIN.
Эти соответствия позволяют обеспечить взаимозаменяемость крепёжных изделий, произведённых по различным стандартам.
Стандартные шестигранные гайки (основные)
Часто используются, универсальны, применяются везде.
ГОСТ 5915-70 / ГОСТ 5927-70 → DIN 934
Классические шестигранные гайки - самый распространённый тип, универсален, стандартная высота.
Официальное наименование
| ГОСТ | DIN | Тип гайки |
| ГОСТ 5915-70 | DIN 934 | Шестигранные гайки класса точности В |
| ГОСТ 5927-70 | DIN 934 | Шестигранные гайки класса точности А |
Класс точности А - гайки изготавливаются с минимальными допусками, обеспечивая точность и надежность соединений в ответственных конструкциях. Применяются в машиностроении, приборостроении, механизмах с высокой нагрузкой. Изготавливаются из углеродистой и нержавеющей стали, часто покрываются оцинковкой или фосфатируются для защиты от коррозии.
Класс точности В - допускают большие отклонения в размерах, подходят для менее критичных соединений в строительстве и тяжелом машиностроении. Обладают достаточной прочностью, но не рассчитаны на высокоточную сборку. Производятся из углеродистой стали, могут иметь защитные покрытия, используются в стандартных крепежных соединениях. Экономически выгодны для массового применения.
Конструктивные особенности
| Характеристика | Значение |
| Форма | Шестигранная |
| Размеры резьбы | M1 – M160 |
| Размеры под ключ | 2,5 мм – 230 мм |
| Высота гайки | 0,8d (где d – номинальный диаметр) |
| Резьба | Метрическая (крупный и мелкий шаг) |
| Угол фаски | 15°–30° |
| Классы прочности | 4, 5, 6, 8, 9, 10, 12 |
Преимущества и недостатки
| Преимущества | Недостатки |
| Универсальность применения | Подвержены коррозии без покрытия |
| Высокая прочность | Не имеют стопорных свойств |
| Широкий выбор размеров | Могут требовать контргайки или шайбы |
Эти гайки применяются совместно с болтами и шпильками с соответствующей резьбой. Дополнительно могут использоваться шайбы для обеспечения надежности соединения. Монтаж осуществляется с помощью гаечных ключей рожкового или торцевого типа.
Гайки DIN 934 / ГОСТ 5915-70 / ГОСТ 5927-70 имеют широкий диапазон размеров (M1–M160), различную прочность (4–12, A2-70, A4-70).
ГОСТ 15523-70 → DIN 6330 – Высокие шестигранные гайки
Высокие шестигранные гайки с увеличенной высотой для обеспечения надежности резьбового соединения.
Официальное наименование
| ГОСТ | DIN | Тип гайки |
| ГОСТ 15523-70 | DIN 6330 | Высокие шестигранные гайки класса точности В |
Конструктивные особенности
| Характеристика | Значение |
| Форма | Шестигранная |
| Размеры резьбы | М3 - М48 |
| Размеры под ключ | 10 мм - 36 мм |
| Высота гайки | 1,5 d (где d - номинальный диаметр резьбы) |
| Резьба | Метрическая (крупный и мелкий шаг) |
| Угол фаски | 15°-30° |
| Классы прочности | 5, 8, 10, 12 |
Примечание: Размеры гаек регламентируются чертежами и таблицами стандарта.
Преимущества и недостатки
Преимущества:
- Увеличенная высота обеспечивает надежное резьбовое соединение.
- Выдерживает высокие нагрузки и вибрации.
- Возможность применения в ответственных конструкциях.
Недостатки:
- Большее потребление материала увеличивает стоимость.
- Может потребоваться больше места в конструкции.
Для увеличения надежности соединения могут использоваться совместно с шайбами и гроверами. Монтаж осуществляется с помощью гаечных ключей соответствующего размера.
Гайки по ГОСТ 15523-70 и DIN 6330 предназначены для крепежных соединений с высокими нагрузками. Их увеличенная высота улучшает надежность крепления, а широкий выбор материалов и покрытий позволяет использовать их в различных условиях эксплуатации.
ГОСТ 15526-70 → DIN 555 – Шестигранные гайки класса точности C
Шестигранные гайки класса точности C по ГОСТ 15526-70 (аналог DIN 555) предназначены для применения в соединениях, где не требуются высокая точность и строгие допуски.
Официальное наименование
| ГОСТ | DIN | Тип гайки |
| ГОСТ 15526-70 | DIN 555 | Шестигранные гайки класса точности С |
Разница между классами точности:
- Класс C – допускает большие отклонения в размерах, используется в менее ответственных соединениях.
- Классы A и B (ГОСТ 5915-70, ГОСТ 5927-70) имеют более строгие требования к точности изготовления и применяются в ответственных конструкциях.
Конструктивные особенности
| Характеристика | Значение |
| Форма | Шестигранная |
| Размеры резьбы | M3 – M48 (по ГОСТ), M5 – M100 (по DIN) |
| Размеры под ключ | 5,5 мм – 75 мм |
| Высота гайки | 0,8 d (где d – номинальный диаметр резьбы) |
| Резьба | Метрическая (крупный шаг) |
| Угол фаски | 15°–50° |
| Классы прочности | 4, 5, 6 |
Преимущества и недостатки
| Преимущества | Недостатки |
| Простота конструкции и низкая стоимость производства | Большие допуски на размеры по сравнению с гайками классов A и B |
| Подходит для соединений с невысокими требованиями к точности | Ограниченное применение в ответственных соединениях |
| Универсальность применения | Без защитного покрытия подвержены коррозии |
Гайки могут использоваться совместно с шайбами и гроверами для увеличения надежности соединений. Для работы с ними подходят стандартные гаечные ключи.
Гайки по ГОСТ 15526-70 и DIN 555 – это шестигранные гайки класса точности C, предназначенные для массового использования в крепежных соединениях с невысокими требованиями к точности. Они отличаются экономичностью, прочностью и возможностью применения в самых разных сферах, где не требуется высокая механическая точность.
Низкие шестигранные гайки (контргайки, экономия места)
Используются при ограниченном пространстве или в качестве контргаек.
ГОСТ 5916-70 → DIN 439-2, DIN 936 – Низкие шестигранные гайки
Низкие шестигранные гайки применяются в местах с ограниченным пространством и в качестве контргаек. Они отличаются уменьшенной высотой, что позволяет использовать их в компактных соединениях.
Важно: стандарт DIN 936 был заменён на DIN 439-2. Согласно международным нормам, новые конструкции должны использовать DIN 439-2 вместо устаревшего DIN 936.
Официальное наименование
| ГОСТ | DIN | Тип гайки |
| ГОСТ 5916-70 | DIN 439-2 | Низкие шестигранные гайки |
Классы точности:
- ГОСТ 5916-70 – Класс точности В
- DIN 439-2 – Класс A (до M16) и Класс B (M16 и больше)
Конструктивные особенности
| Характеристика | Значение |
| Форма | Шестигранная |
| Размеры резьбы | ГОСТ 5916-70: М1-М48, DIN 439-2: М1,6 - М52 |
| Размеры под ключ | 3,2 мм - 75 мм |
| Высота гайки | ГОСТ: 0,5d, DIN 439-2 - согласно стандарту |
| Резьба | Метрическая (крупный и мелкий шаг) |
| Угол фаски | 15°-30° |
|
Классы прочности |
ГОСТ: 04, 05 |
| DIN 439-2: 04, 05, 17H, 22H |
Преимущества и недостатки
| Преимущества | Недостатки |
| Компактные размеры | Ограниченная прочность соединения |
| Используются как контргайки | Не подходят для высоких нагрузок |
| Доступны в широком диапазоне размеров | Требуют шайбы для надежного крепления |
Монтаж осуществляется стандартными гаечными ключами. Для равномерного распределения нагрузки рекомендуется использовать шайбы.
Гайки с фланцем (устойчивость, защита от продавливания)
Распределяют нагрузку, исключают необходимость шайб, устойчивы к вибрациям.
ГОСТ 50592-93 → DIN 6923 – Шестигранные гайки с фланцем
Гайки с фланцем обеспечивают увеличенную опорную поверхность, равномерное распределение нагрузки и устойчивость к вибрациям, что уменьшает необходимость использования шайб.
Официальное наименование
| ГОСТ | DIN | Тип гайки |
| ГОСТ 50592-93 | DIN 6923 | Шестигранные гайки с фланцем, класс точности А |
Дополнительно:
- ГОСТ Р 50592-93 соответствует международному стандарту ISO 4161-83 и описывает гайки с фланцем класса точности A, допускается только крупный шаг.
- DIN 6923 включает гайки с метрической резьбой от M5 до M20, допускается производство с крупным и мелким шагом.
- Фланец может быть гладким или с насечками, что влияет на виброустойчивость.
Конструктивные особенности
| Характеристика | Значение |
| Форма | Шестигранная с фланцем |
| Размеры резьбы | M5 – M20 |
| Размеры под ключ | 8 мм – 46 мм |
| Высота гайки | 4,7 мм – 20 мм |
| Резьба | Метрическая (крупный и мелкий шаг) |
| Диаметр фланца | 11,8 мм – 42,8 мм |
| Классы прочности | 8, 10, 12 |
Фланец может быть гладким или с насечками (насечки повышают сопротивляемость вибрациям, гладкие фланцы предотвращают повреждение поверхностей).
Преимущества и недостатки
| Преимущества | Недостатки |
| Увеличенная опорная поверхность | Возможность повреждения покрытых поверхностей при использовании гаек с насечками |
| Снижение необходимости в шайбах | Более громоздкие в ограниченных пространствах |
| Повышенная виброустойчивость (при наличии насечек) |
Гайки с фланцем особенно эффективны в условиях повышенных вибраций.
Монтаж осуществляется с помощью гаечных ключей соответствующего размера. Гайки используются совместно с болтами и шпильками соответствующей резьбы.
Хотя стандарты схожи, ГОСТ Р 50592-93 предоставляет больше вариативности в классах прочности, материалах и покрытиях. DIN 6923, в свою очередь, допускает возможность мелкого шага. Это может быть связано с национальными особенностями проектирования и применения крепежных изделий.
ГОСТ 8918-69 → DIN 6331 – Высокие шестигранные гайки с буртиком
Гайки высокой конструкции с буртиком используются для надежного крепления в станочных приспособлениях, машиностроении и других областях. Благодаря буртику обеспечивают увеличенную опорную поверхность, уменьшая необходимость использования шайбы.
Официальное наименование
| ГОСТ | DIN | Тип гайки |
| ГОСТ 8918-69 | DIN 6331 | Высокие шестигранные гайки с буртиком |
Разница в стандартах:
- ГОСТ 8918-69 разработан специально для станочных приспособлений;
- DIN 6331 применяется шире – в машиностроении, станкостроении, автомобилестроении.
Конструктивные особенности
| Характеристика | Значение |
| Форма | Шестигранная с буртиком |
| Размеры резьбы | M6 – M48 |
| Размеры под ключ | 10 мм – 75 мм |
| Высота гайки | 9 мм – 72 мм |
| Диаметр буртика | ГОСТ: 11,5 - 86,5 мм / DIN 14 - 92 мм |
| Резьба | Метрическая (крупный шаг) |
| Классы прочности | ГОСТ: 40Х (~10 по DIN) / DIN: 10+ |
| Покрытие | ГОСТ: Оксидирование / DIN: Цинкование |
ГОСТ ориентирован на защиту химическим оксидированием, DIN – на оцинковку.
Преимущества и недостатки
| Преимущества | Недостатки |
| Увеличенная опорная поверхность (буртик) | Могут быть тяжелее стандартных гаек |
| Не требуется шайба | ГОСТ ограничен только станочными приспособлениями |
| Высокая прочность (сталь 40Х / класс 10) | Требуют большего крутящего момента для затяжки |
Примеры использования:
- ГОСТ 8918-69 – станочные приспособления, фиксация деталей оборудования.
- DIN 6331 – машиностроение, станкостроение, автомобилестроение, фиксация узлов.
Устанавливаются с помощью гаечных ключей (рожковых, торцевых). Применяются с болтами, шпильками, винтами соответствующей резьбы.
Корончатые и прорезные гайки (фиксируются шплинтом, защита от самооткручивания)
Используются в ответственных соединениях, где важно исключить раскручивание резьбы.
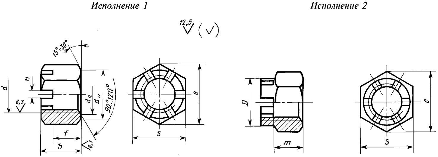
ГОСТ 5918-73 / ГОСТ 5932-73 → DIN 935 – Корончатые гайки стандартной высоты
Корончатые гайки предназначены для соединений, требующих повышенной надежности фиксации. Они используются совместно со шплинтами, предотвращая самопроизвольное раскручивание резьбового соединения.
Официальное наименование
| ГОСТ | DIN | Тип гайки |
| ГОСТ 5918-73 | DIN 935 | Корончатая гайка, класс точности В |
| ГОСТ 5932-73 | DIN 935 | Корончатая гайка, класс точности А |
- ГОСТ 5918-73 и ГОСТ 5932-73 регулируют шестигранные корончатые гайки с пазами для шплинтового соединения.
- ГОСТ 5918-73 устанавливает класс точности В (более широкие допуски), а ГОСТ 5932-73 – класс точности А (повышенная точность).
- DIN 935 соответствует этим стандартам, но отличается делением гаек на прорезные (до М10) и корончатые (от М12).
Конструктивные особенности
| Характеристика | Значение |
| Форма | Шестигранная с прорезями (M4–M10) или коронкой (M12–M80) |
| Размеры резьбы | M4 – M80 (DIN 935) / M4 – M48 (ГОСТ) |
| Размеры под ключ | 7 – 115 мм |
| Высота гайки | 5 – 72 мм |
| Резьба | Метрическая (крупный и мелкий шаг) |
| Ширина прорези | 1.2 – 11 мм (DIN 935) |
| Расстояние от опорной поверхности до основания прорези | 3.2 – 64 мм (DIN 935) |
| Классы прочности | 5, 6, 8, 10 (сталь); Cu-Zn (латунь), А2-50, А2-70 (нержавеющая сталь) |
ГОСТ 5918-73 / 5932-73 и DIN 935 имеют схожие конструктивные параметры, но в DIN 935 более детально регламентированы размеры прорезей и высота коронки.

Преимущества и недостатки
| Преимущества | Недостатки |
| Высокая надежность соединения | Требуется дополнительный крепеж (шплинт) |
| Устойчивость к вибрациям и нагрузкам | Монтаж требует дополнительного этапа сверления отверстий |
| Долговечность и устойчивость к коррозии | Может быть сложен в демонтаже при повреждении шплинта |
Корончатые гайки используются в отраслях, где требуется высокая устойчивость к нагрузкам и вибрациям. Монтаж осуществляется рожковыми или торцевыми ключами. Гайки используются совместно со шпильками и шплинтами для предотвращения самопроизвольного откручивания.
ГОСТ 5918-73 и ГОСТ 5932-73 в целом соответствуют DIN 935, но между стандартами есть различия:
- Класс точности: ГОСТ 5932-73 (А) ближе к DIN 935, чем ГОСТ 5918-73 (В).
- Диапазон размеров: DIN 935 охватывает больший диапазон (M4 – M80), чем ГОСТ (M4 – M48).
- Конструктивные особенности: DIN 935 разделяет гайки на прорезные (до M10) и корончатые (от M12), чего нет в ГОСТ.
- Размеры прорезей и высоты коронки в DIN 935 детализированы точнее, чем в ГОСТ.
Таким образом, при выборе гайки следует учитывать класс точности и конкретные требования к конструкции соединения.
ГОСТ 5919-73 / ГОСТ 5933-73 → DIN 937 – Корончатые гайки низкие
ГОСТ 5919-73 и ГОСТ 5933-73 соответствуют стандарту DIN 937 и описывают шестигранные корончатые гайки с уменьшенной высотой (низкие). Основное отличие этих гаек от стандартных заключается в их сниженной высоте, что позволяет использовать их в условиях ограниченного пространства и уменьшает вес конструкции.
Конструктивные особенности
| Характеристика | Значение |
| Диаметр резьбы | от М6 до М52 |
| Шаг резьбы | Крупный и мелкий (от 1 до 5 мм) |
| Размер "под ключ" | от 10 до 75 мм |
| Высота гайки | Уменьшенная по сравнению со стандартными гайками |
| Материал | Углеродистая сталь, нержавеющая сталь, латунь |
| Класс прочности | 04, 05, 06, 14Н, 17Н, 22Н (сталь); А2-50, А2-70 (нержавеющая сталь) |
| Покрытие | Без покрытия, белый или желтый цинк |
Эти гайки используются совместно со шплинтами для предотвращения самопроизвольного раскручивания соединений, обеспечивая надежность и устойчивость к динамическим нагрузкам.
Специальные гайки (с защитными, фиксирующими, соединительными функциями)
Применяются в особых условиях или для специфических задач.
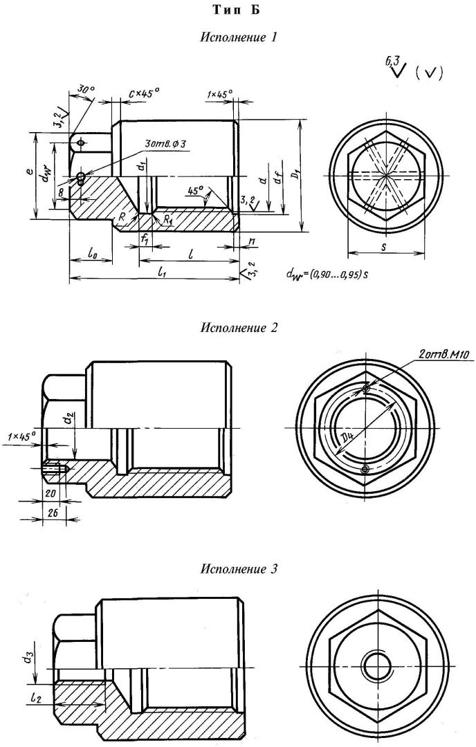
ГОСТ 11860-85 → DIN 1587 – Колпачковые гайки (глухие)
Колпачковые (глухие) гайки предназначены для защиты резьбовых соединений от загрязнений, механических повреждений и коррозии, а также для придания эстетичного внешнего вида.
Официальное наименование
| ГОСТ | DIN | Тип гайки |
| ГОСТ 11860-85 | DIN 1587 | Колпачковая (глухая) гайка |
Оба стандарта описывают шестигранные колпачковые гайки с метрической резьбой, но DIN 1587 включает два класса точности (A и B), тогда как ГОСТ 11860-85 определяет только класс точности A.
Конструктивные особенности
| Характеристика | Значение |
| Форма | Шестигранная с куполообразным колпачком |
| Размеры резьбы |
ГОСТ 11860-85: М3 - М24 DIN 1587: М4 - М24 |
| Размеры под ключ |
ГОСТ 11860-85: 5,5 - 36 мм DIN 1587: 7 - 36 мм |
| Высота гайки |
ГОСТ 11860-85: 7,5 - 42 мм DIN 1587: 8 - 42 мм |
| Резьба | Метрическая (крупный и мелкий шаг) |
| Классы точности |
ГОСТ 11860-85: А DIN 1587: А и В |
Примечание: ГОСТ 11860-85 не регламентирует колпачковые гайки с диаметром резьбы M3, тогда как DIN 1587 включает M3 в перечень размеров.
Преимущества и недостатки
| Преимущества | Недостатки |
| Защита резьбы от загрязнений и повреждений | Ограничение длины выступающей резьбы |
| Эстетичный внешний вид соединения | Возможность накопления влаги под колпачком |
| Герметичность соединения | Необходимость точного подбора размера по длине резьбы |
Монтаж осуществляется с помощью гаечных ключей соответствующего размера. Гайки используются совместно с болтами и шпильками соответствующей резьбы.
ГОСТ 11860-85 и DIN 1587 имеют схожие требования к конструкции и материалам, но отличаются диапазоном размеров и классами точности. Оба стандарта применяются в производстве колпачковых гаек, защищающих резьбовые соединения.
DIN 985, DIN 982 – Самоконтрящиеся гайки (с нейлоновым кольцом)
Шестигранные самоконтрящиеся гайки с нейлоновым кольцом – гайки с неметаллическим вкладышем, предотвращающим самопроизвольное раскручивание резьбового соединения. Отличаются по высоте: DIN 985 – низкая форма, DIN 982 – высокая форма.
Официальное наименование
| DIN | Тип гайки |
| 985 | Низкая самоконтрящаяся гайка |
| 982 | Высокая самоконтрящаяся гайка |
Класс точности:
- M ≤ 16 мм – класс точности A
- M > 16 мм – класс точности B
Конструктивные особенности
| Характеристика | DIN 985 | DIN 982 |
| Форма | Шестигранная | Шестигранная |
| Размеры резьбы | M3 – M48 | M5 – M24 |
| Размеры под ключ | 5 – 65 мм | 8 – 36 мм |
| Высота гайки | Стандартная по DIN 985 (низкая) | Увеличенная по DIN 982 (высокая) |
| Резьба | Метрическая (крупный и мелкий шаг) | Метрическая (крупный и мелкий шаг) |
| Угол фаски | 15-30° | 15-30° |
| Классы прочности | 5, 6, 8, 10, 12 | 5, 6, 8, 10 |
Преимущества и недостатки
| Преимущества | Недостатки |
| Предотвращает самопроизвольное откручивание | Ограничение по температуре эксплуатации (до 120°C) |
| Высокая виброустойчивость | Не рекомендуется для постоянного использования в высокотемпературных средах |
| Многократное использование (при контроле состояния нейлонового вкладыша) | Повышенное сопротивление при закручивании |
Гайки данного типа применяются в различных отраслях промышленности и строительства. Используются для крепления и соединения элементов конструкций, механизмов, приборов, трубопроводных систем и других инженерных решений. Могут устанавливаться с дополнительными элементами (шайбы, гроверы) для увеличения надежности соединений.
Монтаж осуществляется с помощью гаечных ключей рожкового или торцевого типа. Гайки используются совместно с болтами и шпильками соответствующей резьбы. При необходимости применения в среде выше 120°C необходимо использовать специальные термостойкие вкладыши (по DIN 267-15).
DIN 6334 – Удлиненные (соединительные) гайки
Шестигранные соединительные (удлинённые) гайки – удлиненные шестигранные гайки с внутренней метрической резьбой, предназначенные для соединения шпилек или болтов с наружной резьбой, используются для увеличения длины крепежных соединений.
Официальное наименование
| DIN | Тип гайки |
| 6334 | Удлиненная соединительная гайка |
Класс точности не регламентирован стандартом DIN 6334. Высота гайки равна трем номинальным диаметрам резьбы.
Конструктивные особенности
| Характеристика | Значение |
| Форма | Шестигранная |
| Размеры резьбы | М4 - М48 |
| Размеры под ключ | 7 - 75 мм |
| Высота гайки | 3 х номинальный диаметр резьбы (например, М10 = 30 мм) |
| Резьба | Метрическая, крупный шаг (по DIN 13) |
| Угол фаски | Не регламентируется стандартом |
| Классы прочности | 6, 8, 10 |
Преимущества и недостатки
| Преимущества | Недостатки |
| Позволяет соединять и удлинять шпильки | Требует точного совпадения резьбы |
| Обеспечивает надёжное соединение | Может ослабляться при вибрациях |
| Удобство монтажа благодаря шестигранной форме | Необходимость использования контргаек (DIN 936) |
Гайки данного типа широко применяются в строительстве, машиностроении и при монтаже инженерных систем. Используются для соединения и удлинения шпилек, болтов и других элементов с наружной резьбой.
Монтаж осуществляется с помощью стандартных гаечных ключей. Для предотвращения самоотвинчивания в условиях вибрации рекомендуется использовать контргайки (DIN 936). DIN 1479 не является полным аналогом DIN 6334, так как это натяжная гайка с отверстиями для ключа.
Высокотемпературные гайки (для экстремальных условий)
Выдерживают высокие температуры, применяются в фланцевых соединениях.
ГОСТ 9064-75 → DIN 2510 – Фланцевые гайки для работы до 650°C
Фланцевые гайки для работы до 650 °C – шестигранные гайки, предназначенные для фланцевых соединений в условиях высоких температур и высоких нагрузок. Используются в сочетании с удлиненными болтами (Dehnschaft) для предотвращения температурных деформаций соединений.
Официальное наименование
| ГОСТ | DIN | Тип гайки |
| 9064-75 | 2510-5 | Фланцевая шестигранная гайка |
- Форма NF (стандартная) и TF (с центровкой, для соединений с деформационной втулкой).
- Класс точности не регламентирован стандартами ГОСТ 9064-75 и DIN 2510-5.
Конструктивные особенности
| Характеристика | Значение |
| Форма | Шестигранная |
| Размеры резьбы | М10 - М160 |
| Размеры под ключ | 17 - 255 мм |
| Высота гайки | Зависит от диаметра резьбы, соответствует DIN 2510-5 |
| Резьба | Метрическая, крупный шаг (по DIN 13) |
| Угол фаски | Не регламентируется стандартом |
Материалы изготовления:
- 24CrMo5 (хромомолибденовая сталь) – обеспечивает прочность и жаростойкость.
- 21CrMoV5-7 (жаропрочная хромомолибденованадиевая сталь) – повышенная стойкость к термическим нагрузкам.
- 30ХМА (ГОСТ 9064-75) – аналог 24CrMo5, применяется в СССР и странах СНГ.
Преимущества и недостатки
| Преимущества | Недостатки |
| Термостойкость до 650 °C | Ограниченный диапазон покрытий |
| Высокая прочность соединения | Отсутствие точных классов прочности |
| Используется в ответственных соединениях | Требует точного совпадения материалов болта и гайки |
Монтаж осуществляется с помощью стандартных гаечных ключей. Рекомендуется использовать болты и шпильки из аналогичных материалов для обеспечения надежности соединения.
Материалы
- Углеродистая сталь – базовый материал для большинства шестигранных гаек, обеспечивает высокую прочность и надежность резьбовых соединений.
- Нержавеющая сталь (A2, A4) – используется в условиях агрессивных сред (например, морская вода, химическая промышленность) для повышения коррозионной стойкости.
- Латунь, медь, бронза – применяются в электронике, сантехнике и судостроении благодаря высокой устойчивости к коррозии и отличной электропроводности.
- Алюминий и титан – выбираются для легких конструкций, где критичен малый вес, например, в авиации и приборостроении.
- Полиамид – используется для изготовления пластиковых гаек, устойчивых к химическим воздействиям, что актуально для легких конструкций и электроники.
Индивидуальные особенности:
- Для высокотемпературных соединений (ГОСТ 9064-75 / DIN 2510) применяют жаропрочные стали, такие как 24CrMo5, 21CrMoV5-7 или 30ХМА, чтобы обеспечить стабильность механических свойств при температуре до 650 °C.
- При изготовлении гаек с буртиком или корончатых гаек могут требоваться стали с более строгими допусками для обеспечения повышенной прочности и устойчивости к динамическим нагрузкам.
Покрытия
- Оцинковка (электролитическая, горячая, цинк-ламельная) – стандартное покрытие для защиты от коррозии, широко применяется при массовом производстве.
- Фосфатирование – используется для предотвращения ржавчины и улучшения сцепления с последующими красками или смазками.
- Анодирование – характерно для алюминиевых гаек, обеспечивает защиту от окисления.
- Никелирование – применяется как декоративное и дополнительное антикоррозийное покрытие.
- Без покрытия – типично для изделий из нержавеющей стали, латуни, титана и полиамида, где покрытие не требуется для защиты.
Индивидуальные особенности:
- В конструкциях, предназначенных для высокотемпературных условий (например, фланцевые гайки по ГОСТ 9064-75 / DIN 2510), покрытия зачастую отсутствуют, чтобы не нарушать термическую стабильность.
- Некоторые специализированные варианты, такие как самоконтрящиеся гайки или колпачковые (глухие) гайки, могут требовать дополнительных или комбинированных покрытий (например, комбинация оцинковки и фосфатирования) для обеспечения как защитных, так и декоративных свойств.
Сферы использования
- Машиностроение и приборостроение: гайки применяются для надёжного крепления деталей оборудования, узлов механизмов и конструкций с высокими нагрузками, где необходимы точность и безотказность соединений.
- Строительство: используются при соединении металлических каркасов, несущих элементов и прочих конструктивных узлов, которым требуются долговечность и устойчивость к вибрационным нагрузкам.
- Автомобилестроение: применяются в резьбовых креплениях шасси, подвески и других систем транспортных средств.
- Трубопроводные системы: обеспечивают надёжную фиксацию фитингов и соединительных компонентов в условиях динамических воздействий.
- Промышленное оборудование и сельскохозяйственная техника: используются в узлах крепления, подвергающихся значительным нагрузкам и воздействию агрессивных рабочих сред.

Индивидуальные особенности различных типов гаек:
- Гайки с фланцем: обеспечивают равномерное распределение нагрузки и повышенную сопротивляемость вибрациям, что особо ценно в машиностроении и авиастроении.
- Гайки с буртиком: применяются при монтаже узлов и в станочных приспособлениях, когда необходимо увеличить опорную площадь без использования дополнительных шайб.
- Низкие гайки (контргайки): идеальны в условиях ограниченного пространства и также служат элементами для предотвращения самопроизвольного раскручивания.
- Удлиненные (соединительные) гайки: позволяют объединять шпильки или болты, увеличивая длину крепежного узла при необходимости.
- Самоконтрящиеся гайки: имеют встроенное нейлоновое кольцо, препятствующее самооткручиванию в условиях повышенной вибрации и динамических нагрузок.
- Высокотемпературные гайки: предназначены для применения в соединениях фланцев, где температура может достигать 650 °C, что актуально для энергетического, нефтехимического и химического секторов.
Таким образом, представленные варианты гаек и их области применения формируют широкий спектр решений для самых разных отраслей, где требуются устойчивые и долговечные резьбовые соединения.
Маркировка шестигранных гаек по стандартам ГОСТ и DIN
Маркировка шестигранных гаек выполняется в соответствии с установленными нормативами, что позволяет точно определить их тип, размер, класс прочности и дополнительные особенности. Ниже приведены общие положения, применимые ко всем гайкам, с указанием индивидуальных нюансов для ГОСТ и DIN.
Обозначение стандарта и типоразмер
В маркировке обязательно указывается обозначение стандарта (например, ГОСТ 5915-70, ГОСТ 15523-70, DIN 934, DIN 6330 и т.д.), что определяет систему допусков и метод контроля качества.
Типоразмер (например, M20, M12, M10) указывает на диаметр резьбы и определяет диапазон размеров, предусмотренных стандартом.
Класс прочности и точности
Маркировка содержит цифры, обозначающие класс прочности (например, «8», «10», «12»), которые указывают на 1/100 часть предела прочности болта, с которым в паре должна использоваться гайка в болтовом соединении.
Класс точности шестигранных гаек указывает на допустимые отклонения размеров и точность изготовления изделия. Существует несколько классов точности:
- Класс А: высокая точность изготовления с минимальными допусками;
- Класс В: нормальная точность;
- Класс С: низкая точность.
Эти классы определяют допустимые отклонения размеров и точность изготовления гаек.
Таким образом, класс точности, обозначаемый буквами «А», «В» или «С», указывает на степень точности изготовления гайки.
Для гаек классов A и B (или класс точности C в случае ГОСТ 15526-70 / DIN 555) указываются строго определённые параметры, влияющие на эксплуатационные характеристики соединения.
Дополнительные обозначения и характеристики
Дополнительные символы в маркировке могут указывать на особые конструктивные или покрывные характеристики, например:
- «Cr» — наличие радиусного скругления,
- «Zn» — обозначение оцинкованного покрытия,
- Цифровой код исполнения (например, «7003-0301» для ГОСТ 8918-69), который характерен для отечественной системы маркировки.
Дополнительные обозначения помогают уточнить материал или особенности обработки, что особенно важно при выборе изделия для специфических условий эксплуатации.
При выборе гайки важно строго следовать маркировке, так как несоответствие параметров может привести к ухудшению надежности резьбового соединения. Различия в оформлении маркировки между ГОСТ и DIN обусловлены спецификой национальных систем стандартизации, однако основные принципы остаются общими для всех типов изделий.
Почему важно учитывать стандарт?
Некоторые ключевые моменты:
- Если ваш проект использует ГОСТ, но вы замените его на DIN без проверки параметров – возможно несоответствие по материалу или размерам.
- В международных проектах DIN предпочтителен, так как он признан по всему миру.
- ГОСТ учитывает специфические климатические и эксплуатационные условия СНГ (морозостойкость, температурные перепады, влажность).
- Некоторые ГОСТ не обновлялись с 70-х годов, а DIN подвергаются регулярным пересмотрам.
ГОСТ и DIN – это не одно и то же, но в ряде случаев они могут быть взаимозаменяемыми.
✓ Если параметры полностью совпадают (размер, шаг резьбы, материал, класс прочности) – можно использовать либо ГОСТ, либо DIN.
Х Если различия критичны (например, термостойкость, тип покрытия, допуски, соответствие международным нормам) – важно выбрать правильный стандарт.
Выбор между ГОСТ и DIN не просто бюрократия, а способ гарантировать прочность и долговечность соединения в конкретных условиях эксплуатации.